Parts for Outdoor Power Equipment, Lawn and Garden Equipment and Small Engines
Craftsman, Sears, Husqvarna Parts
Filters
- Aerator Parts (2)
- Air Box Parts (12)
- Air Filters (44)
- Bail & Control Handles (24)
- Ball Joints (4)
- Batteries & Battery Parts (9)
- Bearings & Bushings (103)
- Belts (277)
- Blade Adapter (36)
- Blades (90)
- Brake Parts (12)
- Cables (327)
- Carburetor Assemblies, Kits and Parts (51)
- Chainsaw Bars (3)
- Chainsaw Parts (22)
- Chutes, Skirts, Covers (62)
- Coils, Magnetos, Armatures (11)
- Deck Rebuild Kit (6)
- Electrical Parts (17)
- Engine Parts (5)
- Flywheel Keys (6)
- Fuel and Oil Parts (18)
- Fuel Filters (5)
- Fuel Line (2)
- Fuel Oil Caps Dipsticks (23)
- Fuel Oil Grommets Seals Plugs (15)
- Fuel Switches, Valves, Solenoids (2)
- Gaskets & Seals (20)
- Governor and Throttle Parts (8)
- Grass Bags and Frames (47)
- Handle Parts & Knobs (39)
- Hardware (222)
- Hardware CTC (1)
- Ignition Keys (7)
- Lawn Tractor, Ride-on Mower and Zero Turn Parts (116)
- Leaf Blower Parts (3)
- Manuals (780)
- Mufflers (7)
- Oil Filters (1)
- Power Tool Parts (2)
- Primer Bulbs (2)
- PTO, Transmission and Drive Parts (117)
- Pulleys, Idlers, Sheaves (117)
- Rotary Replacement Parts (24)
- Shave Plates and Scraper Bars (27)
- Shear Pins (15)
- Skid Shoes (19)
- Snowblower Parts (130)
- Solenoids (8)
- Spark Plugs (3)
- Spindles (34)
- Springs (78)
- Starter Parts (21)
- Starter Springs (8)
- Steering Parts (35)
- Switches (30)
- Trimmer and Edger Parts (23)
- Turfcare Parts (1)
- Wheel and Tire Parts (119)
- Wheel Spindles (8)
- American Lawn Mower (1)
- Ariens Gravely (1)
- Briggs & Stratton (55)
- Carlisle (1)
- Craftsman Husqvarna Jonsered Poulan (1100)
- Craftsman MTD (707)
- Craftsman Murray (352)
- Dealer's Choice (20)
- DR Mower Parts (2)
- Free Craftsman Manual (777)
- Free DR Power Manual (1)
- Free Husqvarna Manual (1)
- Free MTD Manual (1)
- Free Poulan Manual (2)
- Hydro Gear (1)
- Kenda (1)
- Kinetix (9)
- Laser (63)
- LCT Lausen (1)
- Oregon (89)
- Rotary (32)
- Ryobi Homelite TTI Ridgid (4)
- Senix (3)
- Solo (1)
- Stens (33)
- Tecumseh (4)
- Yardworks (1)
-
944.522291 Manual for Craftsman 27" Two-Stage Snow Thrower
Free Craftsman ManualOriginal price $0.00 - Original price $0.00Original price$0.00$0.00 - $0.00Current price $0.00| /944.522291 Manual for Craftsman 27" Snowblower with 9.0 HP Tecumseh engine OHSK90-221428D We carry parts for this snowblower and parts for the engi...
View full detailsOriginal price $0.00 - Original price $0.00Original price$0.00$0.00 - $0.00Current price $0.00| / -
944.369740 Manual for Craftsman 22" Self-Propelled Lawn Mower with Honda Engine
Free Craftsman ManualOriginal price $0.00 - Original price $0.00Original price$0.00$0.00 - $0.00Current price $0.00| /944.369740 Manual for Craftsman 22" Self-Propelled Lawn Mower with 160cc Honda Engine GCV-160-LAS3A. Includes owner's manual and parts lists for th...
View full detailsOriginal price $0.00 - Original price $0.00Original price$0.00$0.00 - $0.00Current price $0.00| / -
532188909 Craftsman Husqvarna Snowblower Flange Bearing
Craftsman Husqvarna Jonsered PoulanOriginal price $38.99 - Original price $38.99Original price$38.99$38.99 - $38.99Current price $38.99| /In stock532188909 Husqvarna Flange Bearing for Snowblowers Genuine OEM replacement part Replaces: 188909 175323 532175323, 532188910 Fits Models: Canadian...
View full detailsOriginal price $38.99 - Original price $38.99Original price$38.99$38.99 - $38.99Current price $38.99| / -
585416MA Craftsman Murray Snowblower Auger Drive BELT
Craftsman MurrayOriginal price $40.15 - Original price $40.15Original price$40.15$40.15 - $40.15Current price $40.15| /In stockMURRAY OEM 585416MA Auger Drive Belt 1/2" x 38 3/8" REPLACES MURRAY 585416 AUGER TYPE 2 We also carry the aftermarket version of this belt 265-524 ...
View full detailsOriginal price $40.15 - Original price $40.15Original price$40.15$40.15 - $40.15Current price $40.15| / -
944.368610 Manual for Craftsman 675 Series Power-Propelled 21" Lawn Mower
Free Craftsman ManualOriginal price $0.00 - Original price $0.00Original price$0.00$0.00 - $0.00Current price $0.00| /944.368610 Manual for Craftsman 675 Series Power-Propelled 21" Lawn Mower includes owner's manual and parts lists for the lawn mower and Briggs and...
View full detailsOriginal price $0.00 - Original price $0.00Original price$0.00$0.00 - $0.00Current price $0.00| / -
944.527040 Manual for Craftsman 24" Two-Stage Snow Thrower
Free Craftsman ManualOriginal price $0.00 - Original price $0.00Original price$0.00$0.00 - $0.00Current price $0.00| /944.527040 Manual for Craftsman 24" Two-Stage Snow Thrower We carry parts for this snowblower and parts for the engine. If you can't find the part...
View full detailsOriginal price $0.00 - Original price $0.00Original price$0.00$0.00 - $0.00Current price $0.00| / -
C950-52712-7 Craftsman 32" Snow Thrower Parts List
Free Craftsman ManualOriginal price $0.00 - Original price $0.00Original price$0.00$0.00 - $0.00Current price $0.00| /C950-52712-7 Craftsman 32" Snow Thrower Parts List Free download. We carry parts for this snowblower and parts for the engine. If you can't find th...
View full detailsOriginal price $0.00 - Original price $0.00Original price$0.00$0.00 - $0.00Current price $0.00| / -
Craftsman Snowblower Parts List for Models C950-52474-5 C950-52475-5 C950-52477-5
Free Craftsman ManualOriginal price $0.00 - Original price $0.00Original price$0.00$0.00 - $0.00Current price $0.00| /Craftsman Snowblower Parts List for Models C950-52474-5 C950-52475-5 C950-52477-5 Free download. We carry parts for this snowblower and parts for t...
View full detailsOriginal price $0.00 - Original price $0.00Original price$0.00$0.00 - $0.00Current price $0.00| / -
532410877 Craftsman Snowblower Bottom Pan
Craftsman Husqvarna Jonsered Poulan2 reviewsOriginal price $46.50 - Original price $46.50Original price$46.50$46.50 - $46.50Current price $46.50| /In stock5.0 / 5.0
2 Reviews
532410877 CRAFTSMAN SNOWBLOWER BOTTOM PAN Genuine Craftsman OEM part REPLACES 532403732 & 410877, HP.532410877 Fits Models - Craftsman944528117...
View full detailsOriginal price $46.50 - Original price $46.50Original price$46.50$46.50 - $46.50Current price $46.50| / -
944.362120 Manual for Craftsman Lawn Mower Electric Start 22" 725 series Briggs and Stratton Engine
Free Craftsman ManualOriginal price $0.00 - Original price $0.00Original price$0.00$0.00 - $0.00Current price $0.00| /944.362120 Manual for Craftsman Lawn Mower includes owner's manual and parts lists for the lawn mower and Briggs and Stratton engine We carry par...
View full detailsOriginal price $0.00 - Original price $0.00Original price$0.00$0.00 - $0.00Current price $0.00| / -
944.608460 Manual for Craftsman Lawn Tractor 917.259571
Free Craftsman ManualOriginal price $0.00 - Original price $0.00Original price$0.00$0.00 - $0.00Current price $0.00| /944.608460 Manual for Craftsman Lawn Tractor, believed to be the same as US model 917.259571. Includes owner's manual, tractor parts list, Briggs ...
View full detailsOriginal price $0.00 - Original price $0.00Original price$0.00$0.00 - $0.00Current price $0.00| / -
944.369472 Manual for Craftsman 21" Multi-Cut Lawn Mower with 173cc Kohler Engine
Free Craftsman ManualOriginal price $0.00 - Original price $0.00Original price$0.00$0.00 - $0.00Current price $0.00| /944.369472 Manual for Craftsman 21" Multi-Cut Lawn Mower with 173cc Kohler Engine XT173-0224-ED . Includes owner's manual, parts list for the lawnm...
View full detailsOriginal price $0.00 - Original price $0.00Original price$0.00$0.00 - $0.00Current price $0.00| / -
944.362080 Manual for Craftsman Self-Propelled Lawn Mower
Free Craftsman ManualOriginal price $0.00 - Original price $0.00Original price$0.00$0.00 - $0.00Current price $0.00| /944.362080 Manual for Craftsman Self-Propelled Lawn Mower Includes Owner's Manual and parts breakdown. Also includes IPL for Briggs and Stratton e...
View full detailsOriginal price $0.00 - Original price $0.00Original price$0.00$0.00 - $0.00Current price $0.00| / -
944.369450 Manual for Craftsman Lawn Mower
Free Craftsman ManualOriginal price $0.00 - Original price $0.00Original price$0.00$0.00 - $0.00Current price $0.00| /944.369450 Manual for Craftsman Lawn Mower includes owner's manual and parts lists for the lawn mower and Tecumseh engine. We carry parts for this ...
View full detailsOriginal price $0.00 - Original price $0.00Original price$0.00$0.00 - $0.00Current price $0.00| / -
944.526080 Manual for Craftsman 27" Two-Stage Snow Thrower
Free Craftsman ManualOriginal price $0.00 - Original price $0.00Original price$0.00$0.00 - $0.00Current price $0.00| /944.526080 Manual for Craftsman 27" Two-Stage Snow Thrower We carry parts for this snowblower and parts for the engine. If you can't find the part...
View full detailsOriginal price $0.00 - Original price $0.00Original price$0.00$0.00 - $0.00Current price $0.00| / -
944.528396 Manual for Craftsman 27" Two-Stage Snow Thrower
Free Craftsman ManualOriginal price $0.00 - Original price $0.00Original price$0.00$0.00 - $0.00Current price $0.00| /944.528396 Manual for Craftsman 27" Two-Stage Snow ThrowerWe carry parts for this snowblower and parts for the engine. If you can't find the parts ...
View full detailsOriginal price $0.00 - Original price $0.00Original price$0.00$0.00 - $0.00Current price $0.00| / -
944.528116 Manual for Craftsman 27" Two-Stage Snow Thrower
Free Craftsman ManualOriginal price $0.00 - Original price $0.00Original price$0.00$0.00 - $0.00Current price $0.00| /944.528116 Manual for Craftsman 27" Two-Stage Snow ThrowerWe carry parts for this snowblower and parts for the engine. If you can't find the parts...
View full detailsOriginal price $0.00 - Original price $0.00Original price$0.00$0.00 - $0.00Current price $0.00| / -
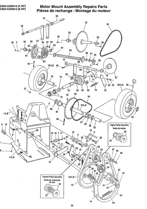
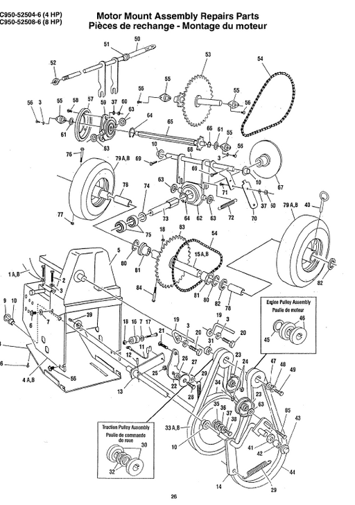
Craftsman Snowblower Parts List for Models C950-52504-6 C950-52508-6
Free Craftsman ManualOriginal price $0.00 - Original price $0.00Original price$0.00$0.00 - $0.00Current price $0.00| /Craftsman Snowblower Parts List for Models C950-52504-6 C950-52508-6 Free download. We carry parts for this snowblower and parts for the engine. If...
View full detailsOriginal price $0.00 - Original price $0.00Original price$0.00$0.00 - $0.00Current price $0.00| / -
C950-52131-0 Craftsman 31" Snowblower Parts List
Free Craftsman ManualOriginal price $0.00 - Original price $0.00Original price$0.00$0.00 - $0.00Current price $0.00| /C950-52131-0 Craftsman 31" Snowblower Parts List We carry parts for this lawn mower and parts for the engine. If you can't find the parts you need ...
View full detailsOriginal price $0.00 - Original price $0.00Original price$0.00$0.00 - $0.00Current price $0.00| / -
944.365871 Manual for Craftsman 22" Multi-cut Power-Propelled 6.75 HP Lawn Mower
Free Craftsman ManualOriginal price $0.00 - Original price $0.00Original price$0.00$0.00 - $0.00Current price $0.00| /944.365871 Manual for Craftsman 22" Multi-cut Power-Propelled 6.75 HP Lawn Mower includes owner's manual and parts lists for the lawn mower and Tec...
View full detailsOriginal price $0.00 - Original price $0.00Original price$0.00$0.00 - $0.00Current price $0.00| / -
C459-60401 Parts Manual for Craftsman 2015 30" Riding Mower
Free Craftsman ManualOriginal price $0.00 - Original price $0.00Original price$0.00$0.00 - $0.00Current price $0.00| /C459-60401 Manual for 2015 Craftsman R1000 Rear Engine Riding Mower 6 Speed, Shift-on-the-Go with 30" Deck Includes owner's manual and parts list f...
View full detailsOriginal price $0.00 - Original price $0.00Original price$0.00$0.00 - $0.00Current price $0.00| / -
944.605080 Manual for Craftsman 25.0 HP 54" Garden Tractor
Free Craftsman ManualOriginal price $0.00 - Original price $0.00Original price$0.00$0.00 - $0.00Current price $0.00| /944.605080 Manual for Craftsman 54" Garden Tractor includes owners manual, and parts lists for the lawnmower, Kohler CV730-0029 engine, and HYDRO G...
View full detailsOriginal price $0.00 - Original price $0.00Original price$0.00$0.00 - $0.00Current price $0.00| / -
944.607930 Manual for Craftsman 20.0 HP 42" Lawn Tractor
Free Craftsman ManualOriginal price $0.00 - Original price $0.00Original price$0.00$0.00 - $0.00Current price $0.00| /944.607930 Manual for Craftsman 42" Lawn Tractor 20.0 HP Electric Start 42" Automatic Transmission Lawn Tractor Find the right parts for Canadian ...
View full detailsOriginal price $0.00 - Original price $0.00Original price$0.00$0.00 - $0.00Current price $0.00| / -
585021001 Craftsman AYP Snowblower Friction Rubber Ring 179831 - Currently on Backorder
Craftsman Husqvarna Jonsered Poulan2 reviewsOriginal price $25.44 - Original price $25.44Original price$25.44$25.44 - $25.44Current price $25.44| /In stock5.0 / 5.0
2 Reviews
585021001 Craftsman 4.5" Rubber Ring Replaces 179831 Replaces: 440620, 532440620, 532179831, 5620 and 179831, 97559. 440620, 532 44 06-20, 585 02 1...
View full detailsOriginal price $25.44 - Original price $25.44Original price$25.44$25.44 - $25.44Current price $25.44| /